Preface: The air cooler can force air to improve heat exchange efficiency; it has a water tray, is easy to defrost, can adapt to various working conditions; it is relatively cheap and has a low initial investment; it has become the most commonly used evaporator in the refrigeration system.
Although the air cooler has achieved adaptive adjustment of the plate spacing for different working conditions, its forced ventilation characteristics inevitably lead to an increase in the heat transfer temperature difference, especially in the medium and low temperature refrigeration system, which accelerates the frosting process on the surface of the air cooler. Especially in large-scale or medium-sized cold storage engineering projects, it is common to use parallel units as the core cold source. However, there is a challenge in the parallel refrigeration system: when the liquid supply solenoid valve of a certain air cooler is closed, other air coolers that are still running in the system force the compressor to continue working. This mechanism causes the residual refrigerant in the stopped air cooler to continue to evaporate, which not only fails to be effectively utilized, but deepens the frosting phenomenon on the surface of the air cooler, affecting the energy efficiency and operation stability of the overall system.
The thermal conductivity of copper is 397W/(㎡¡℃), the thermal conductivity of aluminum is 210W/(㎡¡℃), and the thermal conductivity of frost is only 0.116~0.139W/(㎡¡℃). Moreover, the frost layer will narrow the flow channel, reduce the air volume, and eventually completely block the evaporator, seriously hindering the air flow. Too thick frost layer will worsen the working conditions of the refrigeration unit, make it difficult to cool the cold room, reduce the refrigeration capacity of the compressor, and increase its power consumption. Therefore, the air cooler in the cold storage needs to be defrosted after about 5~8 hours of cumulative operation.

The commonly used defrosting methods for air coolers are roughly as follows:
(1) Electric defrosting: Electric defrosting uses the electric heating tubes arranged in the air cooler to heat the fins to melt the frost layer. This method has a simple system and is more convenient to operate. However, the air cooler is equipped with about 40~100W electric heating tubes per square meter of heat exchange area, which consumes too much power and has a great impact on the fluctuation of the warehouse temperature, which is not energy-saving; the defrosting electric heating tube has a large power, and the quality of the heating tube is poor or it has been used for a long time, it is easy to burn out or even cause a fire. Electric defrosting has serious safety hazards.
(2) Water defrosting: Water defrosting technology is an efficient defrosting method that uses a water pump or special water spraying equipment to spray water on the surface of the evaporator, and uses the heat of the water itself to melt and flush the frost layer. This method has become an extremely efficient defrosting solution due to its simple operation and fast defrosting characteristics. However, in an ultra-low temperature cold storage environment, repeated water defrosting operations may cause the water temperature to drop sharply, thereby weakening the defrosting effect.
(3) Thermal defrosting: The principle of thermal defrosting technology is to use the high-temperature superheated refrigerant vapor discharged by the compressor. After precise oil separation, this vapor is directed to the inside of the evaporator, temporarily changing the role of the evaporator to a condenser. In this transformation process, the large amount of heat released by the thermal medium during condensation is effectively used to melt the frost layer covering the surface of the evaporator. At the same time, the refrigerant and lubricating oil previously accumulated in the evaporator are drained to the defrost collection tank or low-pressure circulation tank under the pressure effect of the thermal medium or by gravity alone, achieving efficient recovery and reuse.
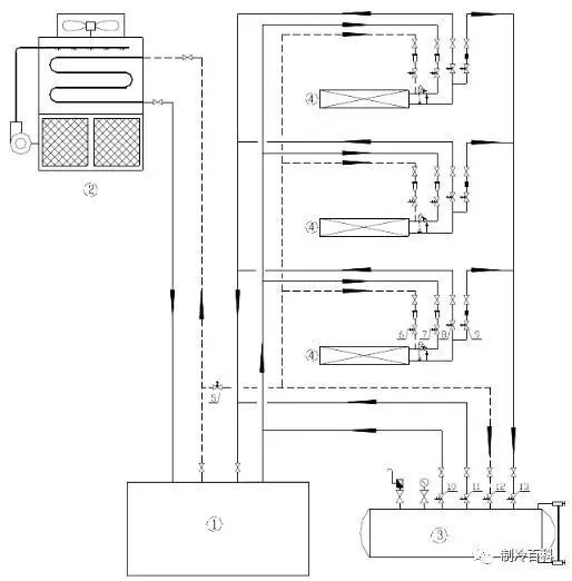
Basic principle: Use the hot Freon vapor discharged by the compressor to heat and defrost the air cooler. The defrosted Freon liquid is discharged into the drain tank, and then pressurized so that the Freon in the drain tank is supplied to the liquid supply pipe to participate in refrigeration. During defrosting, the drainage flow direction is consistent with the direction during the refrigeration cycle. Its basic principle is as follows (see figure):

1. Compressor unit 2. Condenser 3. Drain bucket 4. Evaporator 5. Defrosting main solenoid valve 6. Defrosting solenoid valve 7. Liquid supply solenoid valve 8. Return gas solenoid valve 9. Return liquid solenoid valve 10. Drain solenoid valve 11. Pressure reducing solenoid valve 12. Pressurizing solenoid valve 13. Drop liquid solenoid valve
During refrigeration: Liquid supply solenoid valve 7 and return gas solenoid valve 8 are open, and other solenoid valves are closed. During defrosting, liquid supply solenoid valve 7 and return gas solenoid valve 8 are closed, and at the same time, defrosting main solenoid valve 5, defrosting solenoid valve 6, return liquid solenoid valve 9, pressure reducing solenoid valve 11, and drop liquid solenoid valve 13 are opened together.
Defrosting is finished: defrosting solenoid valve 6, return liquid solenoid valve 9, pressure reducing solenoid valve 11, and drop liquid solenoid valve 13 are closed at the same time. Pressurizing solenoid valve 12 is opened; when the pressure of the drain bucket is ≥ the condensing pressure, the drain solenoid valve 10 is opened, and the refrigerant in the drain bucket enters the liquid supply pipe to participate in refrigeration. When the liquid level in the drain tank reaches the lower limit, the defrosting main solenoid valve 5, the pressurizing solenoid valve 12, and the drain solenoid valve 10 are closed at the same time. The pressure reducing solenoid valve 11 automatically opens, reduces the pressure in the drain tank to the suction pressure, and then automatically closes.
Finally, let’s take a look at the Xingdong product manual hot fluorine defrosting system. Xingdong is a professional manufacturer of cold air blowers and other units. The following system is a defrosting and refrigeration working principle diagram of 2 refrigeration evaporators.

The thermal fluorine defrosting system of the refrigeration unit has many advantages over the traditional electric heating defrosting system, including:
Energy saving and high efficiency: The thermal fluorine defrosting technology uses the waste heat of the refrigeration system itself for defrosting, which greatly reduces the demand for external energy. Compared with electric heating defrosting, it can save 15-20% of electricity, which helps to reduce operating costs and achieve low-carbon environmental protection.
Improve heat exchange efficiency: During the thermal fluorine defrosting process, it can not only effectively remove the frost layer on the surface of the evaporator, but also remove the refrigeration oil accumulated in the pipe wall, which helps to improve the heat exchange efficiency of the air cooler or the exhaust pipe, thereby improving the performance of the entire refrigeration system.
Simplify operation and maintenance: The system is usually simple to operate, does not require additional power supply, and reduces installation complexity and maintenance costs. For example, some systems only need to be installed once, and the subsequent operation is relatively convenient without frequent manual intervention.

